74HC00
74HC00
RENESAS
74HC00 ST SOP
In Stock: 6124 pcs
, CMOS Logic IC ოჯახის ცნობილი წევრი, ინტეგრირდება ოთხი NAND კარიბჭე ერთ პაკეტში, ახდენს სილიკონის კარიბჭის ტექნოლოგიას, რათა შეესაბამებოდეს LS-TTL ოპერაციულ სიჩქარეს, განსაკუთრებით დაბალი ენერგიის მოხმარებით.სიჩქარისა და ეფექტურობის ეს ნაზავი, რომელიც დამატებულია ათი LS-TTL დატვირთვისა და შიდა დიოდური გადაკეტვისთვის, ელექტროსტატიკური გამონადენის დაცვისთვის, აყენებს 74HC00- ს, როგორც მრავალმხრივ და საიმედო კომპონენტს ციფრული მიკროსქემის დიზაინში.თქვენ შეგიძლიათ დააფასოთ მისი ბუფერული შედეგები გაძლიერებული ხმაურის იმუნიტეტისთვის და მისი თავსებადობა ინდუსტრიის სტანდარტულ ექვივალენტებთან, რაც მას ქვაკუთხედად აქცევს ინოვაციური და ძლიერი ციფრული სისტემების შექმნას.
კატალოგი
განსაზღვრული არ 74HC00NAND ოთხი კარიბჭის ინტეგრირება აღინიშნება LS-TTL ოჯახთან შესაბამისობაში.
Silicon-Gate CMOS ტექნოლოგიის გამოყენებით, იგი აღწევს ოპერაციულ სიჩქარეს, როგორც LS-TTL- ს, ხოლო შენარჩუნებულია ფოკუსირება დაბალი ენერგიის მოხმარებაზე.ეს ბალანსი საშუალებას გაძლევთ გამოიყენოთ როგორც სიჩქარე, ასევე ეფექტურობა, შეიმუშავოთ ისეთი დიზაინები, რომლებიც რეზონანსითაა განპირობებული.ბუფერული კარიბჭის შედეგები აძლიერებს ხმაურის იმუნიტეტს, ფაქტორს, რომელიც ხელს უწყობს სტაბილურ შესრულებას, თუნდაც სიგნალის რთულ გარემოში.
მისი შესაძლებლობები ათამდე LS-TTL დატვირთვით გადაადგილებისთვის, მას შესაფერისია სისტემებისთვის, სადაც სასურველია მრავალი სიგნალის გამოსავალი.
შიდა დიოდური დამაგრებით აღჭურვილი, იგი ამცირებს რისკებს, რომლებიც დაკავშირებულია ელექტროსტატიკურ გამონადენთან.ეს თვისება ხაზს უსვამს მის როლს კომპონენტის ხანგრძლივობის გაფართოებაში, რაც აშკარად ასახავს სიბრძნეს გრძელვადიანი საიმედოობის ძიებაში.
ჩანაცვლება და ეკვივალენტები:
•
CD4011
CD4011
I-CORE
701
In Stock: 25220 pcs
• MC54HC00AJD
• M74HC00M1
• SN54LS00
• SN74HCT00DTE4
•
74HCT132D
74HCT132D
NXP
74HCT132D PHILIPS SOP14
In Stock: 16924 pcs
•
74HCT00
74HCT00
TI
74HCT00 ST SOP14
In Stock: 2870 pcs

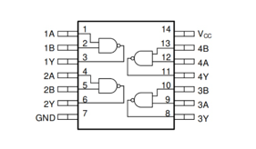
• ქინძისთავები 1, 2, 4, 5, 9, 10, 12, 13: მონაცემთა შეყვანა
ეს ქინძისთავები დამზადებულია იმისთვის, რომ მიიღონ შეყვანის სიგნალები, რომლებიც ხელმძღვანელობენ ნანდის კარიბჭის ლოგიკურ ოპერაციებს ჩიპის შიგნით.ამ საშუალებების უზრუნველყოფა თავისუფალია ჩარევისგან, საიმედო წრიული ქცევისგან, რაც ასახავს კონტროლს და პროგნოზირებას.
• ქინძისთავები 3, 6, 8, 11: მონაცემთა შედეგები
როგორც შედეგები, ეს ქინძისთავები გადმოსცემენ NAND კარიბჭის გამოთვლების შედეგებს.მათი დასაქმება შესაძლებელია მრავალფეროვან ციფრული ლოგიკის კონსტრუქციებში, რომლებიც ერთმანეთთან ერთად რთულ ლოგიკურ ნიმუშებს აწყობენ.როდესაც მრავალი სქემები უკავშირდება ერთ გამომავალს, პოტენციური დატვირთვის ეფექტები მიუთითებს რთულ ურთიერთობებში საჭირო დელიკატურ ბალანსზე.
• Pin 7: Ground (GND)
ეს პინი აკავშირებს სისტემის მიწასთან, რათა უზრუნველყოს ძაბვის მუდმივი საცნობარო წერტილი.ასეთი სტაბილური კავშირის დამყარება ემთხვევა დასაბუთებისა და სიწმინდის ბუნებრივ დევნას, დარღვევების მინიმუმამდე შემცირებას.
• Pin 14: პოზიტიური ელექტრომომარაგება (VCC)
სწორი ძაბვის კვება ამ PIN– ის საშუალებით ხელს უწყობს მოწყობილობის მუშაობას.განსაზღვრულ დიაპაზონში შენარჩუნება აძლიერებს ხანგრძლივობასა და ეფექტურობას, დენის ქინძისთავებთან ახლოს მყოფი კონდენსატორების განთავსებას შეუძლია არსებითად სტაბილიზაცია მოახდინოს ოპერაცია, სარკისებური სტრატეგიები ცხოვრების სირთულეების მართვისთვის.
74HC00
74HC00
RENESAS
74HC00 ST SOP
In Stock: 6124 pcs
შექმნილია ოთხი დამოუკიდებელი NAND კარიბჭით, რომლებიც ფოკუსირებულია ენერგიის ეფექტურობაზე, იზიდავს თქვენ საიმედო შესრულებით ციფრულ სქემებში.მისი შთამბეჭდავი ხმაურის იმუნიტეტი ხელს უწყობს სტაბილურ პროგრამებს, რომლებიც ბევრს მიიჩნევს, რომ მიმზიდველია პროექტებისთვის, რომლებიც პრიორიტეტულ თანმიმდევრულობას ახდენენ.ხელმისაწვდომია Dip და Soic ფორმატებში, იგი აკმაყოფილებს დიზაინის მრავალფეროვან მოთხოვნებს და გთავაზობთ PCB განლაგების მოქნილ ვარიანტებს.
74HC00- ის ადაპტირება საშუალებას აძლევს მას მოხვდეს ლოგიკური კარიბჭის კონფიგურაციებისა და რთული სისტემების ფართო სპექტრში.თქვენ შეგიძლიათ შეაფასოთ მისი ძლიერი შეყვანის/გამომავალი მართვის უნარი, მიიჩნევთ, რომ ეს სასარგებლოა რთული ციფრული ფუნქციების შესაქმნელად.
მისი შესაძლებლობები სხვადასხვა პირობებში მოქმედების შესაძლებლობას ხდის 74HC00 პოპულარობას განათლებისა და პროტოტიპის განვითარებაში.სიმარტივე, რომლითაც იგი ადაპტირდება, გაზრდილი წრიული სირთულე შთააგონებთ, რომ შეისწავლოთ ახალი ინოვაციები, შესრულების შეწირვის გარეშე.
მწარმოებლის მიმოხილვა
Texas Instruments- მა მოიპოვა რეპუტაცია, რომ იგი მიუძღვნა ნახევარგამტარული პროდუქტების საიმედო და საფუძველი.Texas Instrument- ის კომპონენტებს უღიმღამო გამძლეობასა და უმაღლესი შესრულებაზე, ტეხასის ინსტრუმენტების კომპონენტები მრავალრიცხოვანი აპლიკაციის ცენტრში აღმოჩნდნენ, რაც აჩვენებს მათ ეფექტურ როლს ელექტრონიკის ინდუსტრიაში.
ფიზიკური ზომები
8.65 მმ x 3.91 მმ x 1.58 მმ გაზომვით,
74HC00
74HC00
RENESAS
74HC00 ST SOP
In Stock: 6124 pcs
ამაყობს კომპაქტური გარემოსთვის მორგებული გლუვი დიზაინით.ეს ზომები ამარტივებს ინტეგრაციას მრავალფეროვან მიკროსქემის ფორუმში, რაც საშუალებას გაძლევთ მაქსიმალურად გამოიყენოთ შეზღუდული სივრცე მოწყობილობის შესანიშნავი შესაძლებლობების კომპრომისის გარეშე.
ელექტრული მახასიათებლები
მიწოდების ძაბვა ვრცელდება 2V– დან 6V– მდე, რაც გთავაზობთ ადაპტირებას ენერგიის წყაროების არჩევისას და უზრუნველყოფს ციფრული სქემების ფართო სპექტრის თავსებადობას.ეს ძაბვის დიაპაზონი მხარს უჭერს მრავალმხრივ პროგრამებს, რაც საშუალებას აძლევს 74HC00- ს ადაპტირდეს დინამიურ გარემოში მოთხოვნების შეცვლაში.
ტემპერატურა და გარემო პირობები
ეფექტურად მოქმედებს -40 ° C- დან 85 ° C- მდე, მოწყობილობა შექმნილია მრავალფეროვან კლიმატურ და სამრეწველო პირობებში.მისი წინააღმდეგობა ტემპერატურის უკიდურესობებთან მიმართებაში სასურველი არჩევანია სამომხმარებლო ელექტრონიკისა და სამრეწველო პროგრამებისთვის, სადაც მოცემულია გარემოსდაცვითი ცვალებადობა.
შესრულების მეტრიკა
23 ნანოწამების გამრავლების შეფერხების შეთავაზებით, 74HC00 ექსკლუზიურია დამუშავების ეფექტურობაში, რომელიც საჭიროა მაღალი სიჩქარით ლოგიკური ფუნქციებისთვის.ეს სწრაფი შესრულება ხელსაყრელია ისეთი პროგრამებისთვის, როგორიცაა ციფრული სიგნალის კონტროლი და საკომუნიკაციო სისტემები, სადაც მონაცემთა სწრაფი გაცვლა აუცილებლობაა.
სტრუქტურული შემადგენლობა
მოწყობილობა მოიცავს 4 კარიბჭეს, NAND ლოგიკური ოპერაციებისთვის, რაც უზრუნველყოფს რთული ფუნქციონირებას რთული ლოგიკური დიზაინისთვის.ეს კონფიგურაცია ხელსაყრელია, სადაც საჭიროა ლოგიკური ოპერაციების ეფექტურად შესრულება, სისტემების შიგნით სწრაფი და საიმედო დამუშავების უზრუნველყოფა.
კლასიფიკაცია
როგორც ლოგიკური კარიბჭე, 74HC00 ციფრული წრის შექმნის პირველადი კომპონენტია.თქვენ შეგიძლიათ გამოიყენოთ ეს ელემენტები რთული ციფრული სისტემების ასაშენებლად, ამრიგად, გამოთვლითი ენერგიის გაძლიერებისა და დამუშავების შესაძლებლობების ინოვაციური გზით წინსვლის მიზნით.
74HC00
74HC00
RENESAS
74HC00 ST SOP
In Stock: 6124 pcs
აერთიანებს ოთხ ცალკეულ NAND კარიბჭეს, თითოეულს ორი შეყვანისას იწვევს ერთი გამომავალი.ოპერაცია დამოკიდებულია ჭეშმარიტების დეტალურ ცხრილში.კერძოდ, გამომავალი წვეთები დაბალია მხოლოდ იმ შემთხვევაში, თუ ორივე შეყვანა მაღალია.წინააღმდეგ შემთხვევაში, გამომავალი რჩება მაღალი - ციფრული ლოგიკის დიზაინში ძირითადი ელემენტი, რომელიც მოქმედებს როგორც ძირითადი კომპონენტი უფრო რთული სქემების შემუშავებაში.
პოზიტიური გამოხმაურება გავლენას ახდენს სტაბილურობაზე ამ კარიბჭეზე.რადგან თითოეული კარიბჭე ამუშავებს თავის საშუალებებს, უკუკავშირი ემსახურება სტაბილური გამომავალი მდგომარეობის გაძლიერებას, თანმიმდევრულ შესრულებას.ეს წონასწორობა მიიღწევა კარიბჭის რეაქციების ჰარმონიზაციით შეყვანის მნიშვნელობებთან.თქვენ შეგიძლიათ შეეხოთ ამ ასპექტს, რათა შეიქმნას სქემები, რომლებიც მოითხოვს საიმედო ლოგიკის მდგომარეობებს, დაადგინეთ დარწმუნებული პროგნოზირების ფენა.
NAND- ის კარიბჭეში შეყვანის-გამომავალი დინამიკის დახვეწილობის გააზრება აძლიერებს მიკროსქემის გამარტივებული დიზაინის პოტენციალს.საერთო პროგრამები მოიცავს ფლიპ-ფლოპების მშენებლობას და ლოგიკური დავალებების შესრულებას, როგორიცაა და, ან, და არა ოპერაციები.ეს მრავალფეროვნება ხაზს უსვამს მათ მიღებას კონტექსტების სპექტრში, პირდაპირი კონტროლის მექანიზმებიდან დაწყებული დახვეწილი გამოთვლითი ჩარჩოებით.
74HC00– ის ფართო კომუნალური ასახვისას, მისი საიმედო შესრულება პოულობს შესაბამისობას სამომხმარებლო ელექტრონიკის სამრეწველო ავტომატიზაციასთან.ამ კარიბჭეების მრავალფეროვან ლოგიკურ ჩარჩოებში მოწყობის ძალა მნიშვნელოვან შემოქმედებით თავისუფლებას ანიჭებს, ხელს უწყობს ინოვაციას.Nand Gates– ის ძირითადი პრინციპები შთააგონებს მორგებულ გადაწყვეტილებებს უნიკალური ტექნოლოგიური დაბრკოლებებისთვის.
74HC00
74HC00
RENESAS
74HC00 ST SOP
In Stock: 6124 pcs
არის ოთხკუთხა ორფეხა NAND კარიბჭე, რომელიც შექმნილია დახვეწილი სიზუსტით.იგი განასახიერებს პრაქტიკულობისა და ტექნოლოგიური დახვეწილობის ჰარმონიულ ნაზავს.
თვისებები
• მოქმედებს ფართო ძაბვის დიაპაზონში
• აჩვენებს სწრაფად გამრავლების შეფერხებას
• შესაფერისია მაღალსიჩქარიანი და დაბალი სიმძლავრის ოპერაციებისთვის
ელექტრული მახასიათებლები
• ძაბვა და დენი: ეს კომპონენტი ფუნქციონირებს ძაბვის დონის სიგანეზე, დიზაინის საჭიროებების მრავალფეროვნების გათვალისწინებით.
• ტემპერატურის დიაპაზონი: საიმედოდ ასრულებს ტემპერატურის სხვადასხვა პარამეტრს, რაც საშუალებას იძლევა ადაპტირება სხვადასხვა გარემო პირობებში.
პროგრამები
• ზოგადი გამოყენებები: მრავალმხრივი კომპონენტი, ის პოულობს ადგილს მრავალრიცხოვან ციფრულ სქემებში, საჭიროებების შესრულება ყოველდღიური დავალებებიდან დაწყებული, მადლიერების რთული პროგრამებით.
• სპეციფიკური განხორციელება: სამომხმარებლო ელექტრონიკიდან სამრეწველო მექანიზმებამდე, 74HC00 ინტეგრირდება უწყვეტი, რაც ახდენს მის სასარგებლო პროგრამას თითოეულ განაცხადში.
74HC00
74HC00
RENESAS
74HC00 ST SOP
In Stock: 6124 pcs
ჩიპი აჩვენებს მნიშვნელოვან ადაპტირებას, რომელიც ხშირად გვხვდება მრავალფეროვან ელექტრონულ კონტექსტში, ფუნქციონალურობის ფართო სპექტრის წყალობით.
ბუფერული და მართვა
74HC00 სათანადოდ ფუნქციონირებს როგორც ბუფერული ან მძღოლი, რაც ხელს უწყობს უშეცდომო კავშირს სქემებში.ძაბვის წვეთების შემცირებით და სიგნალის დეგრადაციის შემცირებით, იგი ადგენს კომპონენტებს შორის თანმიმდევრულ კომუნიკაციას.ელექტრონული ელექტრონიკის დროს, 74HC00- ს ბუფერულ გამოყენებას შეუძლია ხელი შეუწყოს მიკროკონტროლერის შესაძლებლობებს მრავალჯერადი LED- ების ან სარელეო მოდულის გასააქტიურებლად, ხშირი ფუნქცია DIY პროექტებში.
ლოგიკური ოპერაციები
ეს ჩიპი საშუალებას აძლევს ლოგიკურ ოპერაციებს, მაგალითად NAND კარიბჭეს, შექმნან რთული სისტემების ბირთვი.მისი უპრობლემოდ ინტეგრაცია სხვადასხვა ლოგიკურ სქემებში ხაზს უსვამს მის გამოყენებადობას.ციფრული დიზაინით, NAND გეითსის ბერკეტი საშუალებას გაძლევთ შექმნათ დახვეწილი ლოგიკური სქემები ნაკლები კომპონენტებით, რაც აძლიერებს როგორც ხელმისაწვდომობას, ასევე კომპაქტურობას.
ჩაშენებული სისტემების ინტეგრაცია
ჩაშენებული სისტემების ფარგლებში, 74HC00 ახდენს ამოცანების შესრულებას მიკროკონტროლერის ინიციატივებში ლოგიკური ფუნქციების ჩაშენებით.
მრავალრიცხოვანი IoT მოწყობილობები იყენებენ ამ ჩიპს პირობითი შემოწმების შესასრულებლად და პერიფერიული მოწყობილობების მართვისთვის, სისტემის რეაგირებისა და საიმედოობის გაზრდის მიზნით.
დონის კონვერტაცია
74HC00 ემსახურება ეფექტურ როლს დონის კონვერტაციაში, სიგნალის დონის კორექტირებას სხვადასხვა წრეში.ეს ხელს უწყობს კომპონენტების გლუვ ინტერფეისს მრავალფეროვანი ძაბვის რეიტინგებით.შერეული ძაბვის სიტუაციებში, მაგალითად, 5V მიკროკონტროლერის დაკავშირება 3.3V სენსორთან, 74HC00 ჩაირთო დაყოფას, რაც უზრუნველყოფს მონაცემთა ზუსტი გაზიარებას.
დროისა და კონტროლის სქემები
ჩიპს ასევე აქვს დროული და საკონტროლო სქემები, რომლებიც ეხმარება თანმიმდევრული ლოგიკური დავალებების ზედმიწევნით კოორდინაციას, პროგრამების გაძლიერებას, როგორიცაა დაგვიანების ხაზის სქემები და პულსის წარმოება.74HC00– ით დროული სქემების დახვეწა აძლიერებს სიზუსტეებს ისეთ დავალებებში, როგორიცაა სინქრონული საკომუნიკაციო სისტემები, მონაცემთა ერთგულების დაცვა დროის დეტალური მენეჯმენტის საშუალებით.
ციფრული შედარება ორობითი შედარებისთვის
74HC00 ფუნქციონირებს, როგორც ციფრული შედარება ორობითი შედარებისთვის, იდეალურია ციფრული ჩარჩოების ფარგლებში გადაწყვეტილების მისაღებად.იგი აღმოაჩენს თანასწორობას ან ცვალებადობას ორობითი ფიგურებს შორის.ორობითი შედარებისთვის 74HC00– ის გამოყენება უზრუნველყოფს ეფექტურ მარშრუტს მრავალფეროვან ციფრულ ოქმებში განშტოების გადაწყვეტილებების განსახორციელებლად, სისტემის მუშაობის გაძლიერების საქმიანობაში.
74HC00 მონაცემთა ცხრილი:
74HC00 დეტალები PDF74HC00 დეტალები PDF fr.pdf- ისთვის74HC00 დეტალები PDF for Kr.PDF74HC00 დეტალები PDF IT.PDF74HC00 დეტალები pdf for es.pdf
1. რა არის 74HC00 ფუნქციონირება?
74HC00
74HC00
RENESAS
74HC00 ST SOP
In Stock: 6124 pcs
მოიცავს ოთხი დამოუკიდებელი 2-შეყვანის NAND კარიბჭეს, რომელიც მოქმედებს 2.0V- დან 6.0V- მდე.ციფრული ლოგიკური სისტემების მომსახურებას, ეს საშუალებას აძლევს ლოგიკური ოპერაციების წარმოქმნას, რომლებიც ქმნიან რთული ციფრული არქიტექტურის ხერხემალს.
2. რამდენი ნანდის კარიბჭე შეიცავს 74LS00?
74LS00 მოიცავს ოთხი NAND კარიბჭის ნაკრებებს, რომელთაგან თითოეული შექმნილია ორი შეყვანის და სინგულარული გამომუშავებით.ეს კონფიგურაცია ჩვეულებრივი არჩევანია ციფრული ელექტრონიკაში ერთეულების შემუშავებისას.
3. რა განასხვავებს 74HC00 74LS00- დან?
მთავარი განსხვავებაა მათი ძაბვის ადაპტირება.74HC00 მუშაობს 2V- დან 6V დიაპაზონში, ხოლო 74LS00 შეზღუდულია 5V ელექტრომომარაგებით.შერჩევა ხშირად დამოკიდებულია განაცხადის საჭიროებებისა და გარემო ფაქტორების ცვალებადობაზე.
4. შეგიძლიათ აღწეროთ 74HC სერია?
74HC სერია შეიცავს მაღალსიჩქარიანი CMOS ინტეგრირებული სქემებით, გთავაზობთ TTL- ის თავსებადი სიჩქარით შემცირებული ენერგიის მოხმარებით.მათი თავსებადობა 74LS სერიის პინის განლაგებით საშუალებას იძლევა ადვილად ინტეგრაცია და ჩანაცვლება არსებულ სქემებში.
5. რა არის პროგრამები 74HC00?
ციფრულ სქემებში, 74HC00 არის ინსტრუმენტული, სადაც NAND ლოგიკური კარიბჭეა საჭირო სიგნალის ინვერსიისთვის და რთული ლოგიკური მოქმედებების შესასრულებლად.მისი ადაპტირება მას მნიშვნელოვან აქტივად აქცევს საგანმანათლებლო კონტექსტებსა და პროფესიონალურ ელექტრონულ საწარმოებში.
გაუზიარე ეს პოსტი